Moduł ekranu LCD do kuchennej wagi elektronicznej
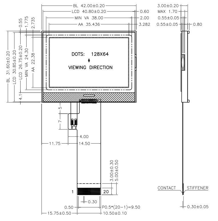
Moduł ekranu LCD to wyświetlacz LCD o standardowym rozmiarze 128 x 64 punktów do narzędzi ręcznych; którego wymiary to 42.0x31,60mm, a pole widzenia 38,0x24,30mm; Materiał DFSTN ze sterownikiem ST7567.
- Wprowadzenie produktów
Szczegóły Produktu
Moduł ekranu LCD to wyświetlacz LCD o standardowym rozmiarze 128 x 64 punktów do narzędzi ręcznych; którego wymiary to 42.0x31,60mm, a pole widzenia 38,0x24,30mm; Materiał DFSTN ze sterownikiem ST7567. Mamy trzy tła dla tego wyświetlacza LCD, niebieskie, czarne i szare, i możemy dostosować je do własnych potrzeb, włączając w to rozmiar.
Specyfikacja



Proces niestandardowego wyświetlacza LCD
Zaprojektuj rysunek LCD: Nasz inżynier zaprojektuje rysunek LCD zgodnie z wymaganiami klienta, zajmie to około 1-3 dni.
Potwierdź rysunek LCD: Po zakończeniu projektowania rysunku wyślemy do klienta w celu potwierdzenia.
Produkcja narzędzi i próbek: Gdy klient potwierdzi, że rysunek jest w porządku, rozpoczniemy produkcję narzędzi i próbek, zajmie to około 15 do 30 dni. (Niezależne od typów LCD)
Produkcja masowa: po zakończeniu produkcji próbek wyślemy klientowi 5 bezpłatnych próbek do testu; a jeśli próbki są w porządku, rozpoczynamy masową produkcję, która zajmie około 30-40 dni.

Popularne Tagi: Moduł ekranu LCD do kuchennej wagi elektronicznej, Chiny, dostawcy, fabryka, niestandardowe, wycena, kup zniżka, bezpłatna próbka, wyprodukowana w Chinach











