5. 0 Calowy kwadratowy ekran TFT
Ten 5-calowy, 800*480 rozdzielczość, kolorowy graficzny moduł TFT LCD RGB z rozmiarem obrysu 120,2 (W) * 75,3 (H) × 2,55 (D) mm. Dostępny jest interfejs cyfrowy. Wyświetlacz LCD TFT o przekątnej 5,0" jest dostępny z panelem dotykowym w technologii dotykowej rezystancyjnej lub pojemnościowej.
- Wprowadzenie produktów
Szczegóły Produktu
Ten 5-calowy, 800*480 rozdzielczość, kolorowy graficzny moduł TFT LCD RGB z rozmiarem obrysu 120,2 (W) * 75,3 (H) × 2,55 (D) mm. Dostępny jest interfejs cyfrowy. Wyświetlacz TFT LCD 5.0" jest dostępny z panelem dotykowym w technologii dotykowej rezystancyjnej lub pojemnościowej. Wszystkie nasze wyświetlacze TFT są zgodne z dyrektywą RoHS. Kupuj bez obaw, ten moduł wyświetlacza TFT ma bezpłatną pomoc techniczną.
Kluczowe cechy
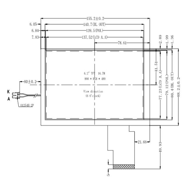
-Nazwa modułu: ENH-TQ050AC01
-Rozmiar LCD: 5. 0 cala
-Rozmiar modułu: 120,2 (szer.) x 75,3 (wys.) x 2,55 (gł.) mm
-Rozstaw kropek: 0.045(szer)x0,135(wys)mm
-Obszar aktywny: 108 (szer.) x 64,8 (wys.) mm
-Element sterownika: aktywna matryca a-Si TFT
-Rozdzielczość: 800x3(RGB)x480
-Tryb wyświetlania: normalnie biały, przepuszczalny
-Interfejs: cyfrowy
-Obróbka powierzchni: przeciwodblaskowa;
-Układ kolorów: pasek RGB
-Napięcie zasilania: VDD=3.0~3,6 V
-Temperatura pracy: -30 stopni ~ 80 stopni
-Temperatura przechowywania: -20 stopni ~ 70 stopni




FAQ
1. Czy masz MOQ?
Odp .: Nie, nie mamy MOQ.
2. Kiedy mogę otrzymać przedmioty?
O: Wysyłka próbek zajmuje 5-7 dni roboczych. Ogólnie rzecz biorąc, wszystko zależy od ilości zamówienia, a my zorganizujemy produkcję tak szybko, jak to możliwe po potwierdzeniu zamówienia.
3. Czy mogę otrzymać zniżkę?
O: Jasne. Rabat jest dostępny dla dużej ilości zamówienia.
Popularne Tagi: 5. 0 calowy kwadratowy ekran TFT, Chiny, dostawcy, fabryka, dostosowane, wycena, kup rabat, bezpłatna próbka, wyprodukowana w Chinach











